ZKLF推力角接觸球軸承
推力角接觸球軸承是用于絲杠驅動軸承布置的精密軸承,根據不同系列,他們可以承受徑向力以及一個或兩個方向的軸向力。接觸式密封可以使滾動體免受污染物和水分的侵害。對于較高轉速,可采用最小間隙密封。
這種軸承有外圈帶安裝孔和外圈不帶安裝孔兩種類型,帶安裝孔的軸承通過螺栓直接安裝在相鄰結構上,由于沒有定位孔德要求或者不需要加工軸承相匹配的軸承端蓋,這種解決方案特別經濟。
對于某些應用領域,較低精度的軸承布置通常就足夠了,因此我們也提供較大公差的軸承。
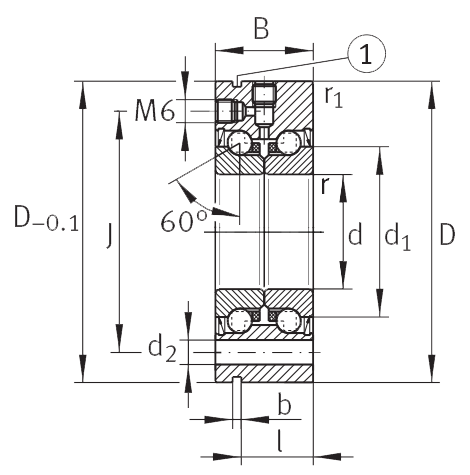
ZKLF推力角接觸球軸承




推力角接觸球軸承是用于絲杠驅動軸承布置的精密軸承,根據不同系列,他們可以承受徑向力以及一個或兩個方向的軸向力。接觸式密封可以使滾動體免受污染物和水分的侵害。對于較高轉速,可采用最小間隙密封。
這種軸承有外圈帶安裝孔和外圈不帶安裝孔兩種類型,帶安裝孔的軸承通過螺栓直接安裝在相鄰結構上,由于沒有定位孔德要求或者不需要加工軸承相匹配的軸承端蓋,這種解決方案特別經濟。
對于某些應用領域,較低精度的軸承布置通常就足夠了,因此我們也提供較大公差的軸承。
ZKLF推力角接觸球軸承



